•内置并联式电磁先导阀控制,工艺先进,动作可靠。
•主阀膜片采用进口特制橡胶,强耐腐蚀,耐低温-40℃。
•磁路部件采用特种不锈钢磁性材料,永不生锈或产生剩磁。
•线圈部件采用进口F级漆包线,使线圈温开低,绝缘性能优良。
•当工作压力在0.3-0.4Mpa时,关闭主阀,小流量系统为3~3.5L/min,可按用户要求设计。
| 适用介质 | 汽油、柴油、煤油 |
| 工作压力 | 0.035MPa~0.35MPa |
| 流量 | 3~50L/min |
| 工作电压 | AC220V |
| 公称通径 | 20mm 3/4“ |

注:下列列表中电磁阀线长如有特殊要求需在订单里注明,否则默认1.6米。
加油机电磁阀:
型 号 |
描 述 |
| msf-20AA | 两端法兰,中心距65 mm,进口2-M8,带O型圈,出口2 -Φ8.5,带O型圈,电压AC220V。 |
| msf-20AB | 两端法兰,中心距65 mm,进口2-M8,带O型圈,出口2-Φ8.5,带O型圈,电压AC110V。 |
| msf-20AC | 两端法兰,中心距65 mm,进口2-M8,带O型圈,出口2-Φ8.5,带O型圈,电压DC24V。 |
| msf-20AD | 两端法兰,中心距65 mm,进口2-M8,带O型圈,出口2-Φ8.5,带O型圈,电压DC12V。 |
| msf-20AF | 两端法兰,中心距65 mm,进口2-Φ8.5,带O型圈,出口2-M8,带O型圈,电压AC220V。 |
| msf-20AG | 两端法兰,中心距65 mm,进口2-M8,带O型圈,出口2-Φ8.5,带O型圈,电压AC220V。穿线带铝管接头(M20*1.5)。 |
| msf-20AH | 两端法兰,中心距65 mm,进口2-M8,带O型圈,出口2-Φ8.5,带O型圈,电压AC110V。穿线带铝管接头(M20*1.5)。 |
| msf-20BA | 两端外螺M33*1.5,内孔Φ22.5,电压AC220V。 |
| msf-20BB | 两端外螺M33*1.5,内孔Φ22.5,电压AC110V。 |
| msf-20BC | 两端外螺M33*1.5,内孔Φ22.5,电压DC24V。 |
| msf-20BD | 两端外螺M33*1.5,内孔Φ22.5,电压DC12V。 |
| msf-20BE | 两端外螺BSPT,电压AC220V。 |
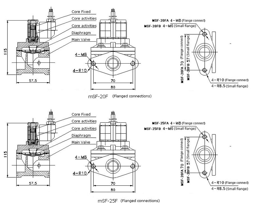
| msf-20CA | 两端法兰,中心距70 mm,进口2-M8,带O型圈,出口2-Φ8.5,带O型圈,电压AC220V。 |
| msf-20CB | 两端法兰,中心距70 mm,进口2-M8,带O型圈,出口2-Φ8.5,带O型圈,电压AC110V。 |
| msf-20CC | 两端法兰,中心距70 mm,进口2-M8,带O型圈,出口2-Φ8.5,带O型圈,电压DC24V。 |
| msf-20CD | 两端法兰,中心距70 mm,进口2-M8,带O型圈,出口2-Φ8.5,带O型圈,电压DC12V。 |
| msf-20CE | 两端法兰,中心距70 mm,进口、出口4-M8,带O型圈,电压AC220V。 |
| msf-20DA | 两端内螺,进出口螺纹均为NPT 3/4吋,电压AC220V。 |
| msf-20EA | 两端法兰,中心距57 mm,进口Φ8.5,带O型圈。出口2-M8带O型圈,电压AC220V。 |
| msf-20EB | 两端法兰,中心距57 mm,进口Φ8.5,带O型圈。出口2-M8带O型圈,电压DC24V。 |
| msf-20EC | 两端法兰,中心距57 mm,进口、出口4-M8,带O型圈,电压AC220V。 |
| msf-25AA | 两端法兰,中心距65 mm,进口2-M8,带O型圈,出口2-Φ8.5,带O型圈,电压AC220V。 |
| msf-25AB | 两端法兰,中心距65 mm,进口2-M8,带O型圈,出口2-Φ8.5,带O型圈,电压AC110V。 |
| msf-25AC | 两端法兰,中心距65 mm,进口2-M8,带O型圈,出口2-Φ8.5,带O型圈,电压DC24V。 |
| msf-25AD | 两端法兰,中心距65 mm,进口2-M8,带O型圈,出口2-Φ8.5,带O型圈,电压DC12V。 |
| msf-25AE | 两端法兰,中心距65 mm,进口、出口4-M8,带O型圈,电压AC220V。 |
| msf-25AF | 两端法兰,中心距65 mm,进口2-M8,带O型圈,出口2-Φ8.5,带O型圈,电压AC110V。穿线带铝管接头(M20*1.5)。 |
| msf-25BA | 两端外螺M33*1.5,内孔Φ25.5,电压AC220V。 |
| msf-25BB | 两端外螺M33*1.5,内孔Φ25.5,电压AC110V。 |
| msf-25BC | 两端外螺M33*1.5,内孔Φ25.5,电压DC24V。 |
| msf-25BD | 两端外螺M33*1.5,内孔Φ25.5,电压DC12V。 |
| msf-25BE | 两端外螺BSPT,电压AC220V。 |
| msf-25CA | 两端法兰,中心距70 mm,进口2-M8,带O型圈,出口2-Φ8.5,带O型圈,电压AC220V。 |
| msf-25CB | 两端法兰,中心距70 mm,进口2-M8,带O型圈,出口2-Φ8.5,带O型圈,电压AC110V。 |
| msf-25CC | 两端法兰,中心距70 mm,进口2-M8,带O型圈,出口2-Φ8.5,带O型圈,电压DC24V。 |
| msf-25CD | 两端法兰,中心距70 mm,进口2-M8,带O型圈,出口2-Φ8.5,带O型圈,电DC12V。 |
| msf-25CC | 两端法兰,中心距70 mm,进口2-M8,带O型圈,出口2-Φ8.5,带O型圈,电压DC24V。 |
| msf-25CD | 两端法兰,中心距70 mm,进口2-M8,带O型圈,出口2-Φ8.5,带O型圈,电DC12V。 |
| msf-25CE | 两端法兰,中心距70 mm,进口出口4-M8,电压AC220V。 |
| msf-25DA | 两端内螺,进出口螺纹均为RC1.0寸,电压AC220V。 |
| msf-25DB | 两端内螺,进出口螺纹均为ZG1.0寸,电压AC220V。 |
| msf-25DC | 两端内螺,进出口螺纹均为NPT1.0寸,电压AC220V。 |
| msf-25DE | 两端内螺,进出口螺纹均为BSP1.0寸,电压AC220V,线长1.6M。 |
| msf-25DF | 两端内螺,电压220V,线长2m ,希腊专用名牌。 |
